Introduction
The LM3914 IC is a highly popular bar-graph display driver designed to visually represent analog signals in the form of an LED bar or dot display. It can directly drive up to 10 LEDs, LCDs, or vacuum fluorescent displays, making it an essential component in voltage monitoring, battery level indicators, and audio level meters. One of its strongest features is the ability to provide a linear analog display without requiring complex circuitry. The IC is widely used in electronic test equipment, automotive dashboards, and DIY electronic projects due to its reliability and ease of use.

Note: DATASHEET DOWNLOAD button is provided end of this article.
A key advantage of the LM3914 bar-graph driver IC is its ability to convert an analog voltage input into a corresponding LED display output. It offers both dot mode and bar mode, allowing flexibility in applications where either a single LED or a continuous LED bar indication is required. The IC has an internal voltage reference and built-in LED current drivers, eliminating the need for external resistors. This ensures consistent brightness across all LEDs, regardless of supply voltage variations.
LM3914 Bar-Graph Display Driver

The pin configuration of LM3914 includes inputs for analog signals, mode selection, reference voltage adjustment, and outputs for driving LEDs. With its operating voltage range of 3V to 25V, the IC is compatible with a wide range of electronic systems. It supports adjustable reference voltages, which makes it possible to calibrate the IC for various input ranges, whether you are designing a battery level indicator for 12V batteries or a VU meter for audio signals.
LM3914 Pinout

Engineers, hobbyists, and students frequently choose the LM3914 IC because it reduces circuit complexity while delivering professional-grade results. It is widely available, affordable, and well-documented, making it easy to integrate into both simple and advanced electronics projects. From solar power charge controllers to power supply monitors and sound level indicators, the LM3914 continues to be one of the most trusted ICs for visual display applications. Its versatility, precision, and simplicity make it a benchmark in the world of LED driver ICs and bar-graph display systems.
LM3914 Key Features
- Wide input voltage range.
- Directly drives TTL and CMOS loads.
- Internal LED driver.
- Analog Controlled LED Driver IC
- Number of controllable LEDs: 10
- Both Dot/Bar mode available
- Can be cascaded to control upto 100 LEDs
- Available in 18-pin DIP, PLCC package
LM3914 Specifications/Characteristics
| Characterstics | Rating (Max) | Notes |
|---|---|---|
| Supply Voltage (Vcc) | 3 – 25V | Recommended operating range |
| Maximum Supply Voltage | 25V | Absolute maximum |
| LED Driver Current (per LED) | 2 – 30mA | Adjustable with external resistor |
| LED Output Voltage | 2V (max) | Voltage drop across each LED driver output |
| Total LED Current (all ON) | 300mA | At maximum brightness |
| Reference Voltage Output | 1.2 – 12V | Adjustable, typically 1.25V |
| Reference Output Current | 0 – 3mA | For setting LED current |
| Input Signal Voltage Range | 0 – 12V | Adjustable with reference |
| Mode of Operation | Dot / Bar | Selectable via mode pin |
| Power Dissipation (PD) | 1365mW | At TA = 25°C (DIP package) |
| Operating Temperature Range | 0 to +70°C | Commercial range |
| Storage Temperature Range | –55 to +150°C | — |
| Thermal Resistance (θJA) | 55°C/W | Typical for DIP-18 package |
| ESD Protection | 2kV | Typical protection |
LM3914 Bar-Graph Display Driver Pinout

More Circuit Layouts








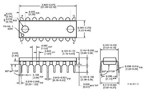
LM3914 Package Dimensions

Key Applications of LM3914 Bar-Graph Display Driver
- Crude Battery level indicators
- Low cost monitor devices
- Digital gauges
- Electronic displays
- Fade bars
Equivalent Driver ICs of LM3914
Equivalent IC of LM3915 IC is LM3916.
Datasheet of LM3914 Bar-Graph Display Driver
Click the following Button below to download the datasheet of LM3914 :
More projects, You may like:
- Video Transmitter DIY Homemade FM Radio Transmitter
- Adjustable Power Supply DIY Battery Charger
- 12V-220V 500 Watt inverter DIY Homemade
- MPPT Solar Charge Controller DIY Homemade
- DIY LA4440 bass amplifier homemade
For more project and circuit diagrams, you can go through the Schematics in the main menu where you can find many interesting projects and circuit diagrams like audio amplifier circuits, voltage booster circuit, battery charger circuit and timer circuits etc., which are all beginner circuit projects. Feel free to check them out!

Thank you for visiting the article.

























